电动阀门
气动阀门
脉冲阀脉冲控制仪
气锤,振荡器
热量表IC卡水表
电磁阀
针型阀
流量物位仪表
传感器
 
 
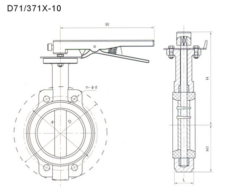
对夹式蝶阀
发布时间: 2010-06-01

           版权所有:哈尔滨富邦机电有限公司     

        电话:0451-88343826          哈尔滨电磁阀 电动智能蝶阀 气动蝶阀
直连供暖 流量计 智能仪表